Når du skriver ut med ZPLGK / ZPLII-formatet, kan du oppleve et problem der labelutskriften ser blokkete ut og deler av teksten kan mangle. I dette tilfellet er den vanligste årsaken at skriveren mangler fonten som brukes av labelen.
- Labelen til venstre er skrevet ut på en skriver som ikke har fonten brukt av labelen lastet opp.
- Labelen til høyre har den nødvendige fonten lastet opp.
ZPLGK / ZPLII-formatet brukes av alle nye labeler; dette gjør det mulig å bruke Arial-fonten.
Arial-fonten er nødvendig for å støtte UTF-8-tegn og har bedre støtte for skalering, noe som gjør det mulig å inkludere mer informasjon på labelen sammenlignet med det tidligere ZPL / EPL-formatet.
Innhold i denne artikkelen:
Feilsøking
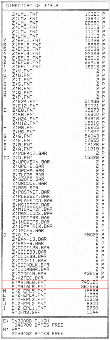
Sjekk om ARIALB.FNT & ARIALR.FNT er lastet inn i skriverens minne.
Det finnes to måter å kontrollere dette på:
Print Object List
Gå til skriverinnstillinger -> General -> Preferences -> Tools -> Print -> Print Object list -> Send
Web Interface
Åpne Directory Listing ved hjelp av skriverens Web Interface.
Hvordan laste opp Arial-fonten til skriveren
Note: Skriveren vil bruke omtrent 60 sekunder på å behandle jobben som inneholder fonten. Etter dette bør du kunne skrive ut alle labeler som bruker ZPLII / ZPLGK-formatet korrekt.
Skriveren bør ikke miste fonten ved omstart.
Her er to forskjellige måter du kan laste opp fonten til en skriver på:
Bruk av Drop Zone
Logg inn på https://www.nshiftportal.com og gå til Ship > Configuration > Settings.
Hvis nødvendig, last ned Drop Zone og konfigurer skriveren med den manglende fonten som standardskriver.
Klikk deretter på knappen Update fonts.
Bruk av Zebra-skriverdriveren
Gå til skriverinnstillinger -> General -> Preferences -> Tools -> Action -> Send file -> Velg SPL-filen fra den vedlagte ZIP-filen -> Send
https://nshift.zendesk.com/hc/article_attachments/360005817800/FONT.ZIP
Bruk av Shipment Server-metoden GetPrinterFonts
Metoden krever kun nøkkelen PrinterKind i options-objektet
{
"PrinterKind": "ZPLGK"
}
Avkod det base64-kodede Fonts-objektet og send det til skriveren på samme måte som en vanlig labelutskrift.